山東風途物聯網科技有限公司
聯系人:王經理
聯系電話:13371051536
QQ:1401548526
公司地址:山東省濰坊市高新區光電路155號光電產業加速器(一期)
PRODUCT
聯系人:王經理
聯系電話:13371051536
QQ:1401548526
公司地址:山東省濰坊市高新區光電路155號光電產業加速器(一期)

產品型號:FT-B6
產品價格:980元
產品品牌:風途
一、六要素傳感器產品簡介
六要素傳感器是集成空氣溫度、空氣濕度、大氣壓力、PM2.5、PM10、噪聲參數的傳感器,六要素傳感器高集成度,無移動部件,零磨損。山東風途物聯網科技有限公司作為專業研發生產氣象傳感器的企業,一直致力于氣象傳感器和氣象環境解決方案推廣應用。具有完整的生產鏈、實力雄厚的技術團隊和全面的營銷團隊,我們研發生產的傳感器已廣泛應用到智慧農業、氣象監測、城市環境監測、風力發電、航海船舶、航空機場、橋梁隧道等領域,客戶遍布全國各地,并取得了良好的社會效益和經濟效益。
二、六要素傳感器產品特點
1、抗干擾能力強,具有看門狗電路,自動復位功能,保證系統穩定運行
2、高集成度,無移動部件,零磨損
3、免維護,無需現場校準
4、采用ASA工程塑料室外應用常年不變色
5、產品設計輸出信號標配為RS485通訊接口(MODBUS協議);可選配232、USB、以太網接口,支持數據實時讀取☆
6、可選配無線傳輸模塊,最小傳輸間隔1分鐘
三、六要素傳感器技術參數
1、空氣溫度:-40-60℃(±0.3℃);(北京市氣象局校準證書)
2、空氣濕度:0-100%RH(±3%RH);(北京市氣象局校準證書)
3、大氣壓力:300-1100hpa(±0.25%);(北京市氣象局校準證書)
4、PM2.5:0-1000ug/m3(±10%)
5、PM10:0-1000ug/m3(±10%)
6、噪聲:30-120dB(±1.5dB)
7、功率:0.72W
8、生產企業具有計算機軟件注冊證書☆
9、生產企業為3A級信用企業☆
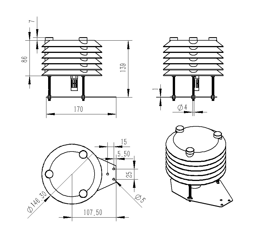
四、六要素傳感器產品尺寸圖

五、六要素傳感器產品結構圖
